Oggi è 3 aprile 2026, 5:28

Tutti gli orari sono UTC + 1 ora [ ora legale ]




Apri un nuovo argomento Rispondi all’argomento  [ 4 messaggi ] 
Autore Messaggio
 Oggetto del messaggio: Comandi al volante Rav 2005
MessaggioInviato: 22 dicembre 2017, 20:22 
Ciao a tutti,
insieme alla modifica delle prese USB che non ho ancora fatto per questioni di tempo, ho
deciso di sostituire l'autoradio originale e ho acquistato un Alpine CDE-193BT, la mascherina
per convertire l'alloggiamento ad 1DIN ottenendo un bel cassettino tipo Panda 30 : Chessygrin :
e l'interfaccia di collegamento per recuperare i comandi al volante Connects2 modello CTSTY001.2
Ho seguito le istruzioni ed è tutto OK tranne questi benedetti comandi, lo stereo possiede sia un
entrata jack da 3.5 indicata dal produttore dell'interfaccia come canale da usare per il collegamento,
sia i 3 fili classici SW1,SW2 e GND ho provato tutte le combinazioni possibili ma non funziona,
ho contattato il supporto tecnico della Connects2 che mi ha "liquidato" dicendomi che probabilmente
i comandi del RAV sono di tipo digitale e la loro interfaccia supporta solo quelli analogici, qualcuno ha esperienza
con questo tipo di scheda? Che tipo di comandi possiede il mio RAV del 2005? Se collego i i fili del RAV
direttamente allo stereo potrebbe funzionare? Se si dove recupero lo schema? Ho passato tutto il pomeriggio
a googlare per gli schemi ma ho trovato solo alcuni che si riferiscono ai modelli pià nuovi del RAV, non che
sia fondamentale avere i comandi perà almeno non ho buttato i soldi per acquistare un'interfaccia compatibile
che di fatto non funziona!!! Grazie per l'aiuto e soprattutto auguri di buone feste a tutti!


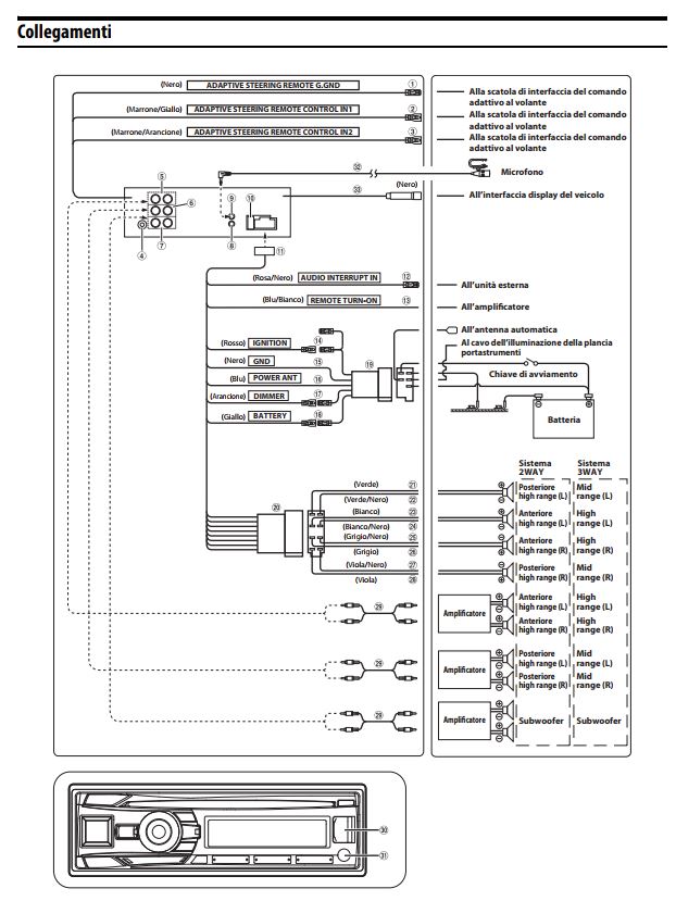
Allegati:
CTSTY001.2-installation.jpg
CTSTY001.2-installation.jpg [ 189.53 KiB | Osservato 9071 volte ]
20171221_184347.jpg
20171221_184347.jpg [ 460.39 KiB | Osservato 9071 volte ]
20171221_184328.jpg
20171221_184328.jpg [ 464.42 KiB | Osservato 9071 volte ]
Top
  
Rispondi citando  
 Oggetto del messaggio: Re: Comandi al volante Rav 2005
MessaggioInviato: 23 dicembre 2017, 13:08 
Non connesso
Smanettone SITO
Smanettone SITO
Avatar utente

Iscritto il: 5 novembre 2006, 1:52
Messaggi: 4632
Località: VENEZIA
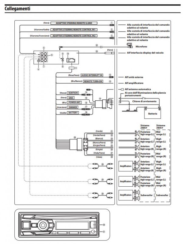
Sul sito ufficiale c'è il PDF https://italy.alpine-europe.com/fileadm ... 2BT_IT.pdf
Questa pagina è verso la fine, ed in alto mi sembra di vedere i collegamenti che ti interessano:

Allegato:
Alpine.JPG
Alpine.JPG [ 96.39 KiB | Osservato 9065 volte ]


Top
 Profilo  
Rispondi citando  
 Oggetto del messaggio: Re: Comandi al volante Rav 2005
MessaggioInviato: 27 dicembre 2017, 18:46 
cameo ha scritto:
Sul sito ufficiale c'è il PDF https://italy.alpine-europe.com/fileadm ... 2BT_IT.pdf" onclick="window.open(this.href);return false;
Questa pagina è verso la fine, ed in alto mi sembra di vedere i collegamenti che ti interessano:

Allegato:
Alpine.JPG


Ciao Cameo,
grazie per il link, sono in possesso di questo documento, è una pagina del manuale dello stereo.
Il mio problema è lo spinotto del rav non so quali dei fili dello spinotto collegare a quelli nel disegno
ho usato un'interfaccia ma non funziona, quindi pensavo di collegare i comandi direttamente allo
stereo, se però riesco a capire quali sono i 3 fili IN1 IN2 e GND. Se tu o qualcun altro sa quali sono
i fili e me lo può indicare gliene sarei grato, grazie


Top
  
Rispondi citando  
 Oggetto del messaggio: Re: Comandi al volante Rav 2005
MessaggioInviato: 27 dicembre 2017, 19:38 
Non connesso
Smanettone SITO
Smanettone SITO
Avatar utente

Iscritto il: 5 novembre 2006, 1:52
Messaggi: 4632
Località: VENEZIA
Guybrush ha scritto:
cameo ha scritto:
Sul sito ufficiale c'è il PDF https://italy.alpine-europe.com/fileadm ... 2BT_IT.pdf" onclick="window.open(this.href);return false;" onclick="window.open(this.href);return false;
Questa pagina è verso la fine, ed in alto mi sembra di vedere i collegamenti che ti interessano:

Allegato:
Alpine.JPG


Ciao Cameo,
grazie per il link, sono in possesso di questo documento, è una pagina del manuale dello stereo.
Il mio problema è lo spinotto del rav non so quali dei fili dello spinotto collegare a quelli nel disegno
ho usato un'interfaccia ma non funziona, quindi pensavo di collegare i comandi direttamente allo
stereo, se però riesco a capire quali sono i 3 fili IN1 IN2 e GND. Se tu o qualcun altro sa quali sono
i fili e me lo può indicare gliene sarei grato, grazie
Sguainando lo spinotto originale quanti fili ci sono? Se ce ne sono tre non dovrebbe essere difficile

Inviato dal mio D5803 utilizzando Tapatalk


Top
 Profilo  
Rispondi citando  
Visualizza ultimi messaggi:  Ordina per  
Apri un nuovo argomento Rispondi all’argomento  [ 4 messaggi ] 

Tutti gli orari sono UTC + 1 ora [ ora legale ]


Chi c’è in linea

Visitano il forum: Nessuno e 5 ospiti


Non puoi aprire nuovi argomenti
Non puoi rispondere negli argomenti
Non puoi modificare i tuoi messaggi
Non puoi cancellare i tuoi messaggi
Non puoi inviare allegati

Cerca per:
Vai a:  
cron
POWERED_BY
Traduzione Italiana phpBBItalia.net basata su phpBB.it 2010